欢迎访问启东利德润滑设备有限公司官网!
邮箱地址:
ld@qdldrh.com
网站首页
公司简介
新闻动态
产品展示
产品目录
联系我们
电子邮局
干油润滑部分
串行总线式智能润滑
单线式集中润滑系统介绍
双线式集中润滑系统介绍
电动润滑泵
电动润滑泵
HB-P电动润滑泵
DRB-P电动润滑泵
ZPU型电动润滑泵
双列式电动润滑脂泵
DB-N单线润滑泵
DDRB-N型多点润滑泵
CDQ型电动润滑泵装置
DRB-L系列电动润滑泵
DRB-J系列电动润滑泵
DDB系列多点干油泵
DB、DBZ型单线干油泵
DXZ系列电动干油站
手(脚)动润滑泵
手(脚)动润滑泵
SRB手动润滑泵
SRB-J/L手动润滑泵
SGZ-8型手动润滑泵
SGZ-4/8F型手动润滑泵
KMPS单线手动润滑泵
JRB-3型脚踏润滑泵
加油泵
加油泵
DJB-F200电动加油泵
DJB-V70型电动加油泵
DJB-H1.6型电动加油泵
DJB-V400型电动加油泵
KGP型电动加油泵
SJB-V25型手动加油泵
SJB-D60型手动加油泵
气动泵
气动泵
7786型气动润滑泵
AP-840B型气动补脂泵
双线分配器
双线分配器
SSPQ-P双线分配器
SDPQ-L双线分配器
VSKV-KR双线分配器
VSKH-KR双线分配器
SSPQ双线分配器
VSL-KR双线分配器
VSG-KR双线分配器
KS系列双线分配器
KW系列双线分配器
VS系列双线分配器
VW系列双线分配器
SGQ系列双线给油器
单线分配器
单线分配器
SSV单线递进式分配器
KJ单线递进式分配器
JPQS型递进式分配器
JPQ-K递进式分配器
JPQ递进式分配器
JPQ-L单进式分配器
FP、FPX单线分配器
PSQ型片式给油器
压力操纵、控制、换向阀及其附件
压力操纵、控制、换向阀
YCK-P5型压差开关
YKQ型压力指示器
YKQ-SB型终端式压力控制器
YKF-L型压力控制阀
YZF-L4型压力操纵阀
YZF-J4型压力操纵阀
24EJF-P型二位四通换向阀
EM型电动换向阀
DR4-5型液压自动换向阀
ZYP型二位四通液压换向阀
YHF型液压换向阀
DF型电磁换向阀
GGQ-P系列干油过滤器
GPF-8型干油喷射控制阀
GJQ型干油压力表减震器
GPZ-135型干油喷射阀
PF-200型干油喷射阀
AF-K10型安全阀
分配器罩
支架
稀油润滑部分
稀油集中润滑系统设计介绍
稀油润滑装置及稀油站
稀油润滑装置及稀油站
XHZ型稀油润滑装置
XYHZ型稀油润滑装置
XYZ-G型稀油站
XYZ-GZ型整体式稀油站
高(低)压稀油站
高(低)压稀油站
GXYZ型A系列
GXYZ型B系列
GDR型双高压系列
稀油润滑元件
稀油润滑元件
WBZ型卧式齿轮油泵装置
LBZ型立式齿轮泵装置
SPL、DPL型网片式油滤器
SLQ型双筒网式过滤器
SWCQ型双筒网式磁芯过滤器
CLQ型磁过滤器
Y型系列过滤器
列管式冷却器
LQ系列列管式冷却器
LC系列列管式冷却器
SGLL型双联油冷却器
FL型空气冷却器
KL型空气冷却器
YZQ型油流指示器
YXQ型油流发讯器
GZQ型给油指示器
AF型安全阀
DXF型单向阀
管件部分
管件部分
焊接式管接头
焊接式端直通圆锥管螺纹管接头
卡套式端直通管接头
卡套式直通管接头
卡套式端对接直通管接头
卡套式对接直通管接头
卡套式锥螺纹直通管接头
卡套式锥螺纹对接直通管接头
锥密封焊接式铰接管接头
锥密封焊接式管接头
扩口式端直通管接头
扩口式锥螺纹直通管接头
锥密封焊接式压力表管接头
铜管用管接头
钢管用螺纹连接接头
钢管用插入焊接式接头
焊接式接头
带阀接头
旋转接头
活接头
双向接头体
锥密封钢丝
其它管接件
高压胶管总成
A、B、C型扣压式胶管接头
A型可拆式胶管接头
管夹和管托架
塑料管夹
HZJ系列管夹
ZGJ系列座式管夹
油气润滑部分
油气润滑系统设计介绍
油气润滑系统的形式
油气润滑系统的形式
单线二分式油气润滑系统
单线混分式油气润滑系统
单线—多区式油气润滑系统
单线卸压式油气润滑系统
双线式油气润滑系统
双线—递进式油气润滑系统
油气润滑系统产品
油气润滑系统产品
单线油—气供应站
ZRTYQZ-0.28/*型油气供应站
ZRWYQZ-*/*-B型油气供应站
双线油—气供应站
单线卸压式油—气供应站
SMX*-YQ型油—气分配混合器
QHQ-J型油—气分配混合器
ZRFLG*型油气分流器
ZRFLK*型油气分流器
YQWXZ-G型油气卫星站
AVE型油气分配混合器
DMM*-YQ型双线油气分配混合器
电气控制部分
电气控制部分
GDK02型电气控制箱
GDK03型电气控制箱
DEA-2L型电气控制箱
DEA-2E型电气控制箱
R1902型电气控制箱
R1904型电气控制箱
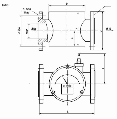
YXQ型油流发讯器(0.4MPa)JB/ZQ4596-97
一、使用条件
YXQ型油流发讯器用于稀油润滑系统。通过它可直观地观察到油流流动状况并可通过其发讯装置发出油量不足或断流信号,从而实现远距离监视或控制,适用介质为粘度等级N22~N460的润滑油。
通径DN10~50为螺纹连接,DN80为法兰连接。公称压力为0.4MPa
二、技术参数
型号
公称通径
DN
公称压力
MPa
连接螺纹
d
L
D
H
h
B
D1
S
重量
kg
YXQ-10
10
0.4
G3/8"
136
80
71
30
75
47.3
41
2.1
YXQ-15
15
0.4
G1/2"
136
80
71
30
75
47.3
41
2.1
YXQ-20
20
0.4
G3/4"
136
80
71
30
75
52
47
3.5
YXQ-25
25
0.4
G1"
160
100
96
35
85
60
52
3.8
YXQ-32
32
0.4
G1 1/4"
160
100
101
40
85
66
58
4.2
YXQ-40
40
0.4
G1 1/2"
190
110
101
45
90
76
66
4.5
YXQ-50
50
0.4
G2"
200
110
112
50
90
92
80
4.8
YXQ-80
80
0.4
法兰DN80
200
170
190
80
~140
Φ200
Φ200
~9.8
三、外形尺寸
四、型号说明
五、电气参数
通径
参数
DN10~50、80
开关型式
交流二线制90~250V
直流二线制10~30V
直流三线制6~30V(NPN型)
直流三线制6~30V(PNP型)
应用场合
带动交流线圈、交流信号灯等
带动直流线圈、直流信号灯等
输入PLC(输入模块为NPN型)
输入PLC(输入模块为PNP型)
输出形式
常开
常开
常开
常开
输出电流
3~100mA
5~40mA
0~200mA
0~200mA
漏电流
1r≤2mA
1r≤0.8mA
1r≤0.4mA
1r≤0.4mA
开关压降
Ud≤3V
Ud≤3V
Ud≤0.1Vcc
Ud≤0.1Vcc
接线图
六、使用注意事项
1、油流方向与油流发讯器指示方向应相同。
2、开关必须通过负载后再接至电源,以免造成开关损坏。
3、输出形式如需常闭或输出电流有特殊要求在订货时应注明;若不注明接近开关型式,则配置PNP型直流三线型。