欢迎访问启东利德润滑设备有限公司官网!
邮箱地址:ld@qdldrh.com
  •  
     
     干油润滑部分
    串行总线式智能润滑
    单线式集中润滑系统介绍
    双线式集中润滑系统介绍
    电动润滑泵
     
    手(脚)动润滑泵
     
    加油泵
     
    气动泵
     
    双线分配器
     
    单线分配器
     
    压力操纵、控制、换向阀及其附件
     
     稀油润滑部分
    稀油集中润滑系统设计介绍
    稀油润滑装置及稀油站
     
    高(低)压稀油站
     
    稀油润滑元件
     
     管件部分
     
     油气润滑部分
    油气润滑系统设计介绍
    油气润滑系统的形式
     
    油气润滑系统产品
     
     电气控制部分
     
 
PF-200型干油喷射阀(10MPa)

一、使用条件
适用于冶金、矿山、水泥、化工、造纸等行业的大型开式齿轮(如球磨机、回转窑、挖掘机、高炉布料器等)以及钢丝绳,链条的润滑。它具有将润滑剂超越一定的空间,定向、定量且均匀地喷射到摩擦表面的特点。

二、技术参数

型 号
公称压力
MPa
喷 射
距 离
mm
喷 射
直 径
mm
最少油量
ml
最低压力
MPa
空 气
压 力
MPa
空 气
耗 量L/min
重量
kg
PF-200
10
200
120
1.5
1.5
0.5
380
0.7

使用介质为锥入度265~385(25℃,150g)1/10mm的润滑脂(NLGI0#-1#)或粘度等级大于N120的工业润滑油。

   
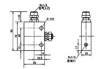
三、外形尺寸
 
 

四、使用说明

1、使用的润滑脂必须经过过滤,质地均匀,并在规定的锥入度和粘度等级范围内使用。
2、进气管路中必须设置气动三大件,保证空气洁净,干燥、衡压。
3、输剂管内不许进入空气,以免影响喷雾。