欢迎访问启东利德润滑设备有限公司官网!
邮箱地址:ld@qdldrh.com
  •  
     
     干油润滑部分
    串行总线式智能润滑
    单线式集中润滑系统介绍
    双线式集中润滑系统介绍
    电动润滑泵
     
    手(脚)动润滑泵
     
    加油泵
     
    气动泵
     
    双线分配器
     
    单线分配器
     
    压力操纵、控制、换向阀及其附件
     
     稀油润滑部分
    稀油集中润滑系统设计介绍
    稀油润滑装置及稀油站
     
    高(低)压稀油站
     
    稀油润滑元件
     
     管件部分
     
     油气润滑部分
    油气润滑系统设计介绍
    油气润滑系统的形式
     
    油气润滑系统产品
     
     电气控制部分
     
 
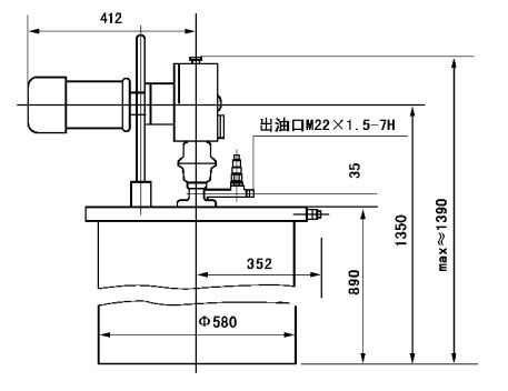
DJB-H1.6型电动加油泵(4MPa)JB/T8811.1-1998

一、概述

适用于干油集中润滑系统中向电动润滑泵贮油桶内充填润滑脂的活塞式电动加油泵。该泵为内藏式柱塞容积泵,采用减速电机直接带动偏心轮回转,带动拉杆往复运动,实现吸压油功能,运转平稳,输出压力高,设有出口过滤装置。

二、技术参数

型号
公称压力MPa
加油量mL/每次
功率kW
贮油筒容积L
重量kg
DJB-H1.6
4
1.6
0.37
200
90
使用介质为锥入度220(25℃,150g)1/10mm的润滑脂和粘度等级大于N68的润滑油。
   
三、型号说明                 


四、外形尺寸

五、工作原理
由水平安装的减速电机驱动偏心轮回转,带动滑块、拉杆上下往复运动,由活塞内部及管帽内单向阀的作用完成吸压油过程,经输油胶管向外送出。

六、使用说明
1、使用前先拧开壳体上方的油塞加入50号机械油至规定油标液位。
2、输送的介质必须干净,质地均匀,并在规定的牌号范围内。
3、应定期清洗出口处的过滤网。
4、不许在桶内无油的情况下空运转。
5、电机减速机初用三个月必须从排气塞孔补充适量的3#二硫化钼润滑脂,以后每隔四个月补充一次

七、订货须知
该泵可实现全自动控制,还可安装油位发讯装置,订货时必须在合同中另行注明。